Product Detail
Product Tags
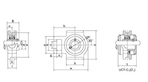
| Bearing Unit No. |
Shaft Dia. |
Dimensions (in.)or(mm) |
Weight(kg) |
| d |
| (in.) |
(mm) |
o |
g |
p |
q |
s |
b |
k |
e |
a |
w |
j |
l |
h |
t |
B |
n |
| UCT211 |
|
55 |
25 |
19 |
102 |
64 |
35 |
95 |
22 |
130 |
146 |
171 |
64 |
38 |
106 |
76 |
55.6 |
22.2 |
3.74 |
| UCT211-32 |
2 |
|
63/64 |
3/4 |
4-1/64 |
2-1/32 |
1-3/8 |
3-3/4 |
55/64 |
5-1/8 |
5-3/4 |
6-47/64 |
2-33/64 |
1-1/2 |
4-11/64 |
3 |
2.1890 |
0.874 |
3.89 |
| UCT211-33 |
2-1/16 |
|
63/64 |
3/4 |
4-1/64 |
2-1/32 |
1-3/8 |
3-3/4 |
55/64 |
5-1/8 |
5-3/4 |
6-47/64 |
2-33/64 |
1-1/2 |
4-11/64 |
3 |
2.1890 |
0.874 |
3.83 |
| UCT211-34 |
2-1/8 |
|
63/64 |
3/4 |
4-1/64 |
2-1/32 |
1-3/8 |
3-3/4 |
55/64 |
5-1/8 |
5-3/4 |
6-47/64 |
2-33/64 |
1-1/2 |
4-11/64 |
3 |
2.1890 |
0.874 |
3.79 |
| Application scenarios |
The role of UCF bearings |
| Hydraulic mineral processing equipment, textile-related electrical instrumentation equipment, industrial drying machines, gantry cranes, electric pumps |
These devices require high-strength support and rotational functions. The UCT bearings can provide stable support and reduce friction, ensuring the normal operation of the equipment |
| Injection molding machine parts, deep hole drilling machine, sand grinding machine, dehumidifier, sewage treatment equipment |
These devices need to rotate and move frequently in industrial production. The UCT bearings can reduce friction and enhance the efficiency and lifespan of the equipment |
| Ironing machine, foaming equipment, air-cooled refrigeration machine, bottom pressing machine, offset printing machine |
These devices require precise rotation and support during the production process. The UCT bearings can provide stable rotation and support, ensuring the stability and efficiency of the production |
Previous:
UCT210
Next:
UCT212