Product Detail
Product Tags
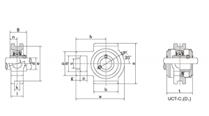
| Bearing Unit No. |
Shaft Dia. |
Dimensions (in.)or(mm) |
Weight(kg) |
| d |
| (in.) |
(mm) |
o |
g |
p |
q |
s |
b |
k |
e |
a |
w |
j |
l |
h |
t |
B |
n |
| UCT207 |
|
35 |
16 |
13 |
64 |
37 |
22 |
64 |
12 |
89 |
102 |
129 |
37 |
30 |
78 |
59.5 |
42.9 |
17.5 |
1.57 |
| UCT207-20 |
1-1/4 |
|
5/8 |
33/64 |
2-33/64 |
1-29/64 |
55/64 |
2-33/64 |
15/32 |
3-1/2 |
4-1/64 |
5-5/64 |
1-29/64 |
1-3/16 |
3-5/64 |
2-11/32 |
1.6890 |
0.689 |
1.63 |
| UCT207-21 |
1-5/16 |
|
5/8 |
33/64 |
2-33/64 |
1-29/64 |
55/64 |
2-33/64 |
15/32 |
3-1/2 |
4-1/64 |
5-5/64 |
1-29/64 |
1-3/16 |
3-5/64 |
2-11/32 |
1.6890 |
0.689 |
1.6 |
| UCT207-22 |
1-3/8 |
|
5/8 |
33/64 |
2-33/64 |
1-29/64 |
55/64 |
2-33/64 |
15/32 |
3-1/2 |
4-1/64 |
5-5/64 |
1-29/64 |
1-3/16 |
3-5/64 |
2-11/32 |
1.6890 |
0.689 |
1.57 |
| UCT207-23 |
1-7/16 |
|
5/8 |
33/64 |
2-33/64 |
1-29/64 |
55/64 |
2-33/64 |
15/32 |
3-1/2 |
4-1/64 |
5-5/64 |
1-29/64 |
1-3/16 |
3-5/64 |
2-11/32 |
1.6890 |
0.689 |
1.54 |
| Application scenarios |
The role of UCF bearings |
| Hydraulic mineral processing equipment, textile-related electrical instrumentation equipment, industrial drying machines, gantry cranes, electric pumps |
These devices require high-strength support and rotational functions. The UCT bearings can provide stable support and reduce friction, ensuring the normal operation of the equipment |
| Injection molding machine parts, deep hole drilling machine, sand grinding machine, dehumidifier, sewage treatment equipment |
These devices need to rotate and move frequently in industrial production. The UCT bearings can reduce friction and enhance the efficiency and lifespan of the equipment |
| Ironing machine, foaming equipment, air-cooled refrigeration machine, bottom pressing machine, offset printing machine |
These devices require precise rotation and support during the production process. The UCT bearings can provide stable rotation and support, ensuring the stability and efficiency of the production |
Previous:
UCT206
Next:
UCT208