Product Detail
Product Tags
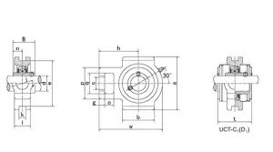
| Bearing Unit No. |
Shaft Dia. |
Dimensions (in.)or(mm) |
Weight(kg) |
| d |
| (in.) |
(mm) |
o |
g |
p |
q |
s |
b |
k |
e |
a |
w |
j |
l |
h |
t |
B |
n |
| UCT215 |
|
75 |
32 |
21 |
111 |
70 |
41 |
121 |
26 |
151 |
167 |
232 |
70 |
48 |
140 |
99 |
77.8 |
33.3 |
7.19 |
| UCT215-45 |
2-13/16 |
|
1-17/64 |
53/64 |
4-3/8 |
2-3/4 |
1-39/64 |
4-49/64 |
1-1/32 |
5-15/16 |
6-37/64 |
9-9/64 |
2-3/4 |
1-57/64 |
5-33/64 |
3-57/64 |
3.0630 |
1.311 |
7.19 |
| UCT215-46 |
2-7/8 |
|
1-17/64 |
53/64 |
4-3/8 |
2-3/4 |
1-39/64 |
4-49/64 |
1-1/32 |
5-15/16 |
6-37/64 |
9-9/64 |
2-3/4 |
1-57/64 |
5-33/64 |
3-57/64 |
3.0630 |
1.311 |
7.44 |
| UCT215-47 |
2-15/16 |
|
1-17/64 |
53/64 |
4-3/8 |
2-3/4 |
1-39/64 |
4-49/64 |
1-1/32 |
5-15/16 |
6-37/64 |
9-9/64 |
2-3/4 |
1-57/64 |
5-33/64 |
3-57/64 |
3.0630 |
1.311 |
7.33 |
| UCT215-48 |
3 |
|
1-17/64 |
53/64 |
4-3/8 |
2-3/4 |
1-39/64 |
4-49/64 |
1-1/32 |
5-15/16 |
6-37/64 |
9-9/64 |
2-3/4 |
1-57/64 |
5-33/64 |
3-57/64 |
3.0630 |
1.311 |
7.13 |
| Application scenarios |
The role of UCF bearings |
| Hydraulic mineral processing equipment, textile-related electrical instrumentation equipment, industrial drying machines, gantry cranes, electric pumps |
These devices require high-strength support and rotational functions. The UCT bearings can provide stable support and reduce friction, ensuring the normal operation of the equipment |
| Injection molding machine parts, deep hole drilling machine, sand grinding machine, dehumidifier, sewage treatment equipment |
These devices need to rotate and move frequently in industrial production. The UCT bearings can reduce friction and enhance the efficiency and lifespan of the equipment |
| Ironing machine, foaming equipment, air-cooled refrigeration machine, bottom pressing machine, offset printing machine |
These devices require precise rotation and support during the production process. The UCT bearings can provide stable rotation and support, ensuring the stability and efficiency of the production |
Previous:
UCT214
Next:
UCFL204