Product Detail
Product Tags
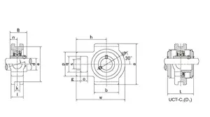
| Bearing Unit No. |
Shaft Dia. |
Dimensions (in.)or(mm) |
Weight(kg) |
| d |
| (in.) |
(mm) |
o |
g |
p |
q |
s |
b |
k |
e |
a |
w |
j |
l |
h |
t |
B |
n |
| UCT203 |
|
17 |
16 |
10 |
51 |
32 |
19 |
51 |
12 |
76 |
89 |
94 |
32 |
21 |
61 |
44.5 |
31 |
12.7 |
0.75 |
| UCT203-11 |
11/16 |
|
5/8 |
25/64 |
2-1/64 |
1-1/4 |
3/4 |
2-1/64 |
15/32 |
2-63/64 |
3-1/2 |
3-11/16 |
1-1/4 |
53/64 |
2-13/32 |
1-3/4 |
1.2205 |
0.500 |
0.74 |
| Application scenarios |
The role of UCF bearings |
| Hydraulic mineral processing equipment, textile-related electrical instrumentation equipment, industrial drying machines, gantry cranes, electric pumps |
These devices require high-strength support and rotational functions. The UCT bearings can provide stable support and reduce friction, ensuring the normal operation of the equipment |
| Injection molding machine parts, deep hole drilling machine, sand grinding machine, dehumidifier, sewage treatment equipment |
These devices need to rotate and move frequently in industrial production. The UCT bearings can reduce friction and enhance the efficiency and lifespan of the equipment |
| Ironing machine, foaming equipment, air-cooled refrigeration machine, bottom pressing machine, offset printing machine |
These devices require precise rotation and support during the production process. The UCT bearings can provide stable rotation and support, ensuring the stability and efficiency of the production |
Previous:
UCT202
Next:
UCT204